

This welding joint is used in welding applications of metals such as copper, aluminum, stainless steel, carbon steel, etc
Strong advantage, it is an economical and efficient welding joint
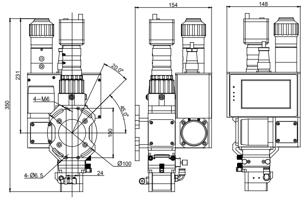
The welding joint is driven by a dual mirror motor and has multiple swing welding modes,
Meet various welding needs
4.3-inch capacitive touch screen, integrated control, simple and convenient operation, optional
Built in CCD imaging function
Can be equipped with various lasers with QBH connectors
Full optics and body water cooling improve the stability and service life of welded joints
Stable and reliable, capable of carrying 6000W power
|
Technical parameters |
|
|
maximum power |
6000W |
|
Collimate/focus focal length |
F125/F200 F250/300 |
|
Swing range |
0.1—5mm |
|
Cooling method |
water-cooling |
|
Swing frequency |
0—300Hz |
|
weight |
4.6KG |
|
Optional selection |
Coaxial, wind knife, wire feeding mechanism, side blowing, red light bracket |